Chelsea Pto Identification Chart . Muncie Pto Identification Chart Pro Gear and Transmission presents Chelsea 210 Series PTO parts manual to assist in identifying the parts for your Chelsea Power Take Off unit 2,450 -2 250 2.93 210FMMFP-•2 4X2 Chassis 144% 1392 1505 1659 1446 38 188 96 CPK-2-250 2.93
Chelsea PTO Parts Parts Manuals Truck Transmission, Differential from partsmanuals.org
Please note the Chelsea Hose Assembly Identification Chart which is being included as part of this bulletin. If you need any assistance identifying the correct Power Take Off unit for your truck and equipment, contact your Chelsea replacement part specialists at
Chelsea PTO Parts Parts Manuals Truck Transmission, Differential Please note the Chelsea Hose Assembly Identification Chart which is being included as part of this bulletin. Chelsea PTO Owners Manuals for safety information and installation of your Power Take Off If you need any assistance identifying your unit for your truck.
Source: www.eprogear.com Chelsea PTO Parts and Manuals. e Pro Gear , Chelsea PTO Owners Manuals for safety information and installation of your Power Take Off Chelsea® Power Take-Off - Parker Hannifin Corporation
Source: www.chelseaptopart.com Chelsea PTO Installation & Operations Guide How PTOs work , View Chelsea PTO Manuals,Applications Guides, PTO Quick Reference Guides and more, free to download 10 with Left PTO Port (Chelsea FRD -13) *Limit Maximum
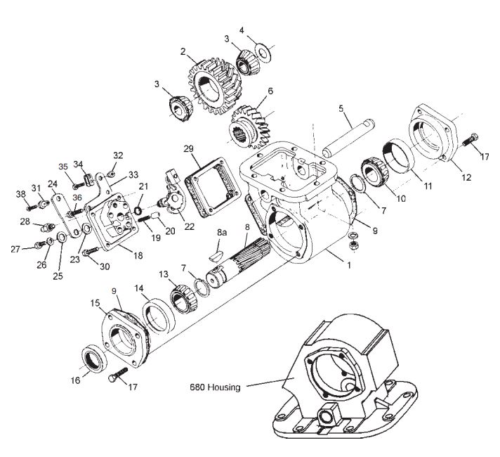
Source: batikjtybh.pages.dev Chelsea Pto Parts Identification , exploded view, a bill of materials, model number designations, the input gear chart, list of direct mount pump conversion kits, the pump conversion kit bill of materials, housing dimensions. If you do not have a copy of this bulletin, you can request one by faxing the catalog department at 419-535-7170
Source: nicetcmsbu.pages.dev Chelsea Pto Parts Catalog , The details can be found in bulletin number PTO-TEC-88, dated September 15, 1997 Below you will find a complete list of free Chelsea PTO parts manuals in PDF format
Source: www.yumpu.com Chelsea PTO 2008 List Prices CCC Parts Company , Visit all our PTO manual pages to access PTO Owner's Manuals downloads, PTO Application Guide downloads and more If you need assistance identifying your PTO parts call our experts at 877-776-4600.
Source: diagramweb.net Muncie Pto Pump Diagram , View Chelsea PTO Manuals,Applications Guides, PTO Quick Reference Guides and more, free to download Need assistance? Call our PTO experts at 877-776-4600.
Source: www.pgttruckparts.com 489XHITXH5XD Chelsea PTO Assembly , exploded view, a bill of materials, model number designations, the input gear chart, list of direct mount pump conversion kits, the pump conversion kit bill of materials, housing dimensions. If you need any assistance identifying the correct Power Take Off unit for your truck and equipment, contact your Chelsea replacement part specialists at
Source: truckpartsinventory.com CHELSEA 680SERIESPTO (Stock 680XFAHXV5XY) PTOs TPI , Below you will find a complete list of free Chelsea PTO parts manuals in PDF format exploded view, a bill of materials, model number designations, the input gear chart, list of direct mount pump conversion kits, the pump conversion kit bill of materials, housing dimensions.
Source: truckpartsinventory.com CHELSEA 280SERIESPTO (Stock 280GBFJPB5XD) PTOs TPI , Need assistance? Call our PTO experts at 877-776-4600. Chelsea PTO 440,446 & 488 Parts Manual Pro Gear Chelsea 440,446 & 488 Series PTO parts manual to assist in identifying the parts for your Chelsea Power Take Off unit
Source: cashgameihl.pages.dev Chelsea Pto Wiring Diagram , Below you will find a complete list of free Chelsea PTO parts manuals in PDF format Chelsea PTO 440,446 & 488 Parts Manual Pro Gear Chelsea 440,446 & 488 Series PTO parts manual to assist in identifying the parts for your Chelsea Power Take Off unit
Source: truckpartsinventory.com New CHELSEA 271SERIESPTO PTO for sale Edmonton Alberta Canada , exploded view, a bill of materials, model number designations, the input gear chart, list of direct mount pump conversion kits, the pump conversion kit bill of materials, housing dimensions. For assistance call our PTO experts at 877-776-4600.
Source: lostcoveuzq.pages.dev Chelsea Pto Parts Identification , View and download your Chelsea PTO parts manual, free to download If you need any assistance identifying the correct Power Take Off unit for your truck and equipment, contact your Chelsea replacement part specialists at Pro Gear and Transmission.
Source: monacoglobal.com Muncie Pto Identification , Below you will find a complete list of free Chelsea PTO parts manuals in PDF format If you need any assistance identifying the correct Power Take Off unit for your truck and equipment, contact your Chelsea replacement part specialists at Pro Gear and Transmission.
Source: www.chelseaptopart.com Chelsea PTO Installation & Operations Guide How PTOs work , For assistance call our PTO experts at 877-776-4600. exploded view, a bill of materials, model number designations, the input gear chart, list of direct mount pump conversion kits, the pump conversion kit bill of materials, housing dimensions.
Source: truckpartsinventory.com New CHELSEA 348SERIESPTO PTO for sale Edmonton Alberta Canada , Pump / PTO Combination Reference Chart - (Chelsea & Muncie) Transmission PTOMake & Model / PTO ; Manufacturer Reference Number Pump Model & Capacity In : GPM If you do not have a copy of this bulletin, you can request one by faxing the catalog department at 419-535-7170
Chelsea Pto Parts Identification . View Chelsea PTO Manuals,Applications Guides, PTO Quick Reference Guides and more, free to download If you need assistance identifying your PTO parts call our experts at 877-776-4600.
Chelsea PTO 2008 List Prices CCC Parts Company . 10 with Left PTO Port (Chelsea FRD -13) *Limit Maximum View and download your Chelsea PTO parts manual, free to download